ទំព័រដើម
អំពីយើង
ផលិតផល
ការទំនាក់ទំនងប្រើប្រាស់ពន្លឺ
ខ្សែកាបអុបទិក
ODN(បណ្ដាញចែកចាយពន្លឺ)
ខ្សែកាបអុបទិកក្នុងផ្ទះ
ខ្សែកាបអុបទិកក្រៅផ្ទះ
ខ្សែសាយប្រភពពន្លឺ
កុងតាក់ទំនាក់ទំនង
កុងតាក់ទំនាក់ទំនងដែលគ្រប់គ្រងបាន
កុងតាក់ទំនាក់ទំនងដែលគ្មានការគ្រប់គ្រង
EOC (អ៊ីធឺណែតតាមខ្សែកូអែកស៊ីយល់)
ក្រុមផលិតផលបំលែងមីឌៀខ្សែបំលង
គ្រឿងបន្ថែមខ្សែបំលង
ក្រុមផលិតផលតភ្ជាប់ខ្សែបំលង
ឧបករណ៍ស្វែងរកកំហុសខ្សែបំលង
ក្រុមផលិតផលកាត់ខ្សែបំលង
ឧបករណ៍សម្គាល់ខ្សែបំលង
ឧបករណ៍ស្វែងរកកំហុសដោយភ្នែក (ដោយប្រើពន្លឺក្រហម)
ឧបករណ៍វាស់ថាមពលប្រភពពន្លឺ
ឧបករណ៍ធ្វើតេស្តបញ្ចូលគ្នា
ប្រភពពន្លឺដែលមានស្ថេរភាព
ម៉ាស៊ីនប្រើប្រាស់បណ្តាញ
ម៉ាស៊ីនវាស់ចំងាយដោយឡាស៊ែរ
តេឡេស្កុបវាស់ចំងាយ
ខ្សែកាបអុបទិក-អេឡិចត្រិច
ការទំនាក់ទំនងតាមខ្យល់
កុងតាក់ទ័រ និង ធីមីណុល
កុងតាក់ទ័រ
សមាសភាគខ្សែកាប RF
ឧបករណ៍បញ្ជាក់បណ្ដាញ
អេនតែន
អេនតែនឌីស
ឧបករណ៍ធ្វើម៉ូដុលសញ្ញា
Anten ក្លែង
អេនតែនស្ថានីយដ្ឋានគោល
អេនតែនចែកចាយក្នុងផ្ទះ
អេនតែនច្រើនរបៀប
Anten ដែលតំឡើងនៅជញ្ជាំង
Anten ផ្ទៃថាន់កញ្ញា
Anten ដែលតំឡើងនៅលើយានយន្ត
Anten ផ្ទៃថាន់
Anten ផ្ទៃថាន់ប្រភេទសេកទ័រ
Anten ដែលតំឡើងនៅលើដំបូល
Anten ចុងក្រោយ
Anten ច្រើនទិស
Anten ដែលមានសមាមាត្រលោការីត
Anten សម្រាប់ស្វែងរកទិស
Anten ស៊ីនខារ
Anten ប៉ុស្តិ៍បង្វិល
Anten HF
Anten ប៉ុស្តិ៍មានទិសដៅ
Anten សម្រាប់ប្រើជាមួយលីហ្វថ៍
Anten ច្រើនខ្សែបន្ទាត់
Anten TDD & FDD
Anten បង្កើតកាំរស្មី
Anten ឯកទេស
Anten បំលែងទិសដៅដោយសំយោគ
អង់តែន PCB
អង់តែនតាមការកំណត់
ផ្នែកអង់តែន
ផ្នែកអេឡិចត្រូនិចគ្មានសកម្មភាព
ឧបករណបញ្ចូលរ៉ឺវ
ឧបករណ៍ចែកថាមពល
ឧបករណ៍ថយសម្ពាធសញ្ញា
តម្រងគ្មានសកម្មភាព
បន្ទុក
ឧបករណ៍ចែកសញ្ញាប្រភេទអ៊ីប្រុក
កៅប៉ូឡ័រ
ឌុបភ្លីចច័រ/ឌីភ្លីចច័រ
រ៉ូទ័រ
រ៉ូទ័រ 4G/5G 4G/5G
អេស៊ី កុងត្រូលឡ័រ AC
AP ខាងក្រៅ
ស្ពានឥតខ្សែ
AP ដំឡើងនៅលើដំបក
ឧបករណ៍ WiFi ចល័ត
រ៉ូទ័រខាងក្រៅ
ផ្សេងៗ
server
UPS (ការផ្គត់ផ្គង់ថាមពលដោយមិនប៉ះពាល់)
តម្រង
រ៉េអាក់ទ័រ
តម្រងច្រើនខ្សែ
តម្រងថាមពល
ប្រអប់/កែវឈីបការពារ
មូលដ្ឋានប្រេកឃីងបម្លែងប្រេកង់
រេស៊ីស្ទ័រ
ម៉ាស៊ីនបំលែង
ខាប៉ាស៊ីត័រ
ខ្សែកាប
ខ្សែកាបថាមពល
ខ្សែកាបតំឡើងប្រព័ន្ធអគ្គិសនី
ថ្ម
ថ្មដីស័ព្ទ
ថ្មលីចីយ៉ូម
ម៉ូឌុលថាមពល
ប្រភពថាមពលម៉ូឌុល
ម៉ូឌុលថាមពលតាមការបញ្ជាក់
เบอร์โทรศัพท์ / WhatsApp / WeChat:
+86-15251891388
ទំនាក់ទំនងមកយើង
បិទ
កម្មវិធី
វីដេអូ
ទាញយក
សេវាកម្ម
ទំនាក់ទំនងយើង
EN
EN
AR
NL
FR
DE
EL
HI
IT
JA
KO
NO
PL
PT
RO
RU
ES
SV
TL
ID
SR
UK
VI
LT
HU
MT
TH
TR
FA
MS
GA
KA
UR
BN
KM
LA
MN
KK
UZ
KY
AF
អំពីយើង
ផលិតផល
ការទំនាក់ទំនងប្រើប្រាស់ពន្លឺ
ខ្សែកាបអុបទិក
កុងតាក់ទំនាក់ទំនង
គ្រឿងបន្ថែមខ្សែបំលង
ការទំនាក់ទំនងតាមខ្យល់
កុងតាក់ទ័រ និង ធីមីណុល
ឧបករណ៍បញ្ជាក់បណ្ដាញ
អេនតែន
ផ្នែកអេឡិចត្រូនិចគ្មានសកម្មភាព
រ៉ូទ័រ
ផ្សេងៗ
server
UPS (ការផ្គត់ផ្គង់ថាមពលដោយមិនប៉ះពាល់)
តម្រង
ខ្សែកាប
ថ្ម
ម៉ូឌុលថាមពល
កម្មវិធី
វីដេអូ
ទាញយក
សេវាកម្ម
ទំនាក់ទំនងយើង
ស្វែងរក
តម្រងថាមពល
ទំព័រដើម
>
ផលិតផល
>
ផ្សេងៗ
>
តម្រង
>
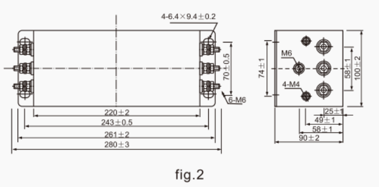
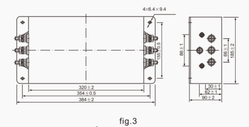
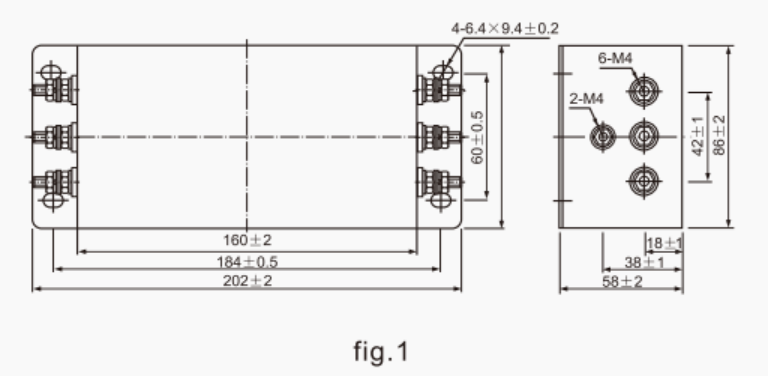
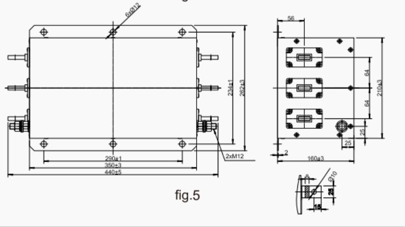
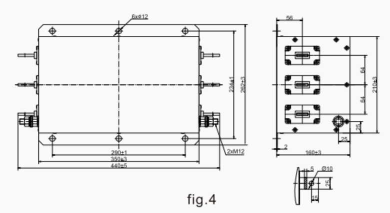
តម្រងថាមពល
ស៊េរី YW-JL-EBT1
Spu:
ស៊េរី YW-JL-EBT1
ទទួលបានការប៉ាន់ប្រមាណ
ទំនាក់ទំនងមកយើង
ការពិពណ៌នា
[email protected]
សំណួរ
ការពិពណ៌នា
ផលិតផលដែលពាក់ព័ន្ធ
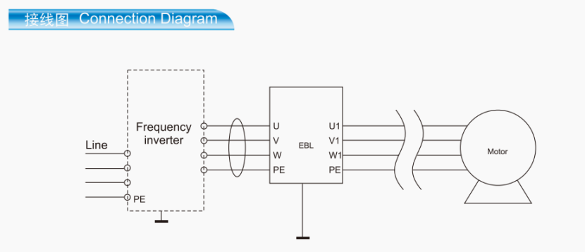
ខ្សែភ្ជាប់មានសំបកពីរ និងមានការពារសំរាប់ប្រើជាមួយខ្សែភ្ជាប់បំពង់ (Cable Chains) សំរាប់ការងារមធ្យម
YW- TY-T1004S6R012
YW- TY-TDQM-608017DEI-65F
ស៊េរី YW-JL-EBK1, EBK3
ទទួលបានការប៉ាន់ប្រមាណឥតគិតថ្លៃ
តំណាងរបស់យើងនឹងទំនាក់ទំនងអ្នកឆាប់ៗនេះ។
អ៊ីមែល
ឈ្មោះ
ឈ្មោះក្រុមហ៊ុន
សារ
0/1000
បញ្ជូន