| Rated voltage | 250VAC, 50/60Hz | |||
| Operating frequency | DC to 400Hz | |||
| Rated currents | 1 to 30A @40℃ max | |||
| High potential test voltage | L→N: 1100VDC for 2s; L, N→PE: 2250VDC for 2s | |||
| Temperature range | -25℃ to +100℃ (25/100/21) | |||
| Certified to | UL1283, EN60939 |
| Filter model | Rated current@40°C(A) | Leakage current@250VAC/50Hz(mA) | Input/Output Connections | Weight(g) |
| DL20090 - 1-06 | 1 | 0.45 | 6.3×0.8 | 95 |
| DL20090 - 3-06 | 3 | 0.45 | 6.3×0.8 | 185 |
| DL20090 - 4-06 | 4 | 0.45 | 6.3×0.8 | 190 |
| DL20090 - 6-06 | 6 | 0.61 | 6.3×0.8 | 205 |
| DL20090 - 8-06 | 8 | 0.61 | 6.3×0.8 | 440 |
| DL20090 - 10-06 | 10 | 0.61 | 6.3×0.8 | 465 |
| DL20090 - 12-06 | 12 | 0.93 | 6.3×0.8 | 480 |
| DL20090 - 16-06 | 16 | 0.93 | 6.3×0.8 | 490 |
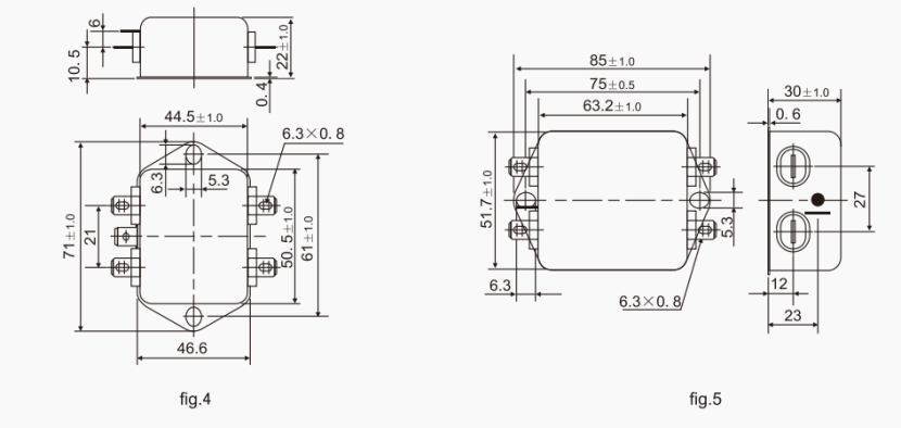
| DL20090 - 20-.. | 20 | 0.93 | 6.3×0.8、M4 | 515 |
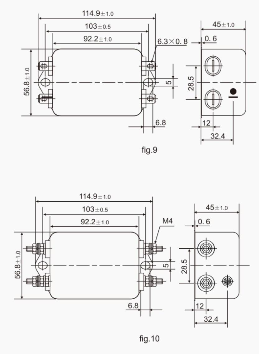
| DL20090 - 30-08 | 30 | 0.93 | M4 | 530 |
| DL20090S - 1-06 | 1 | 0.13 | 6.3×0.8 | 95 |
| DL20090S - 3-06 | 3 | 0.13 | 6.3×0.8 | 185 |
| DL20090S - 4-06 | 4 | 0.13 | 6.3×0.8 | 190 |
| DL20090S - 6-06 | 6 | 0.13 | 6.3×0.8 | 205 |
| DL20090S - 8-06 | 8 | 0.13 | 6.3×0.8 | 440 |
| DL20090S - 10-06 | 10 | 0.13 | 6.3×0.8 | 465 |
| DL20090S - 12-06 | 12 | 0.13 | 6.3×0.8 | 480 |
| DL20090S - 16-06 | 16 | 0.13 | 6.3×0.8 | 490 |
| DL20090S - 20-.. | 20 | 0.13 | 6.3×0.8、M4 | 515 |
| DL20090N - 1-06 | 1 | 0 | 6.3×0.8 | 95 |
| DL20090N - 3-06 | 3 | 0 | 6.3×0.8 | 185 |
| DL20090N - 4-06 | 4 | 0 | 6.3×0.8 | 190 |
| DL20090N - 6-06 | 6 | 0 | 6.3×0.8 | 205 |
| DL20090N - 8-06 | 8 | 0 | 6.3×0.8 | 440 |
| DL20090N - 10-06 | 10 | 0 | 6.3×0.8 | 465 |
| DL20090N - 12-06 | 12 | 0 | 6.3×0.8 | 480 |
| DL20090N - 16-06 | 16 | 0 | 6.3×0.8 | 490 |
| DL20090N - 20-.. | 20 | 0 | 6.3×0.8、M4 | 515 |
| DL20090N - 30-08 | 30 | 0 | M4 | 530 |


