| Rated Voltage | 250VAC@50/60Hz, 80VDC~600VDC | 
| Rated Current | 25A - 400A | 
| Climatic Category | 40/085/56 | 
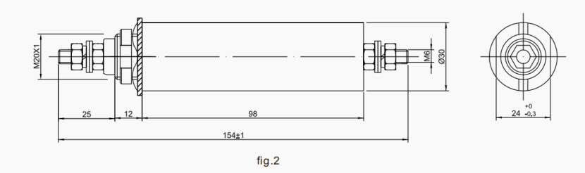
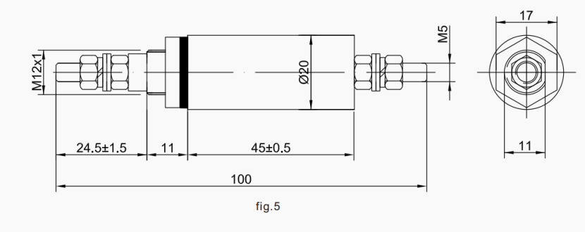
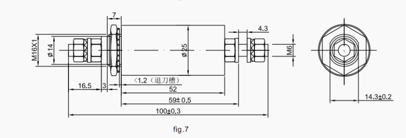
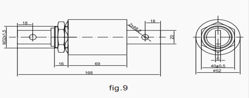
| Model | Rated Voltage(V) | Rated Current(A) | Test Voltage(2s) | Capacitance ±20% | Weight(g) | 
| DL - 25DTC3 | 250VAC | 25 | 2700VDC | 2×0.1μF | 71 | 
| DL - 50DTC2 | 250VAC | 50 | 2121VDC | 2×0.1μF | 225 | 
| DL - 250DTC1 | 250VAC | 250 | 2250VDC | 2×0.1μF | 900 | 
| DL - 16FTC2 | 440VDC | 16 | 1500VDC | 2×0.1μF | 58 | 
| DL - 30FTC1 | 600VDC | 30 | 2500VDC | 2×18μF | 72 | 
| DL - 50FTC2 | 200VDC | 50 | 1000VDC | 0.22μF | 40 | 
| DL - 65FTC3 | 250VDC | 65 | 2250VDC | 2×0.25μF | 220 | 
| DL - 100FTC2 | 250VDC | 100 | 1800VDC | 0.47μF | 190 | 
| DL - 250FTC2 | 700VDC | 250 | 2250VDC | 2×0.047μF | 900 | 
| DL - 400FTC | 80VDC | 400 | 500VDC | 10μF | 602 | 








