| Rated Voltage | 480/275VAC | ||
| Operating Frequency | 0 - 120Hz | ||
| Switching Frequency | ≤60KHz | ||
| Rated Current | 10A - 600A | ||
| Test Voltage (1 min) | 1500 VDC (line/line); 2250 VDC (line/ground) | ||
| Climatic Category | 40/085/21 |
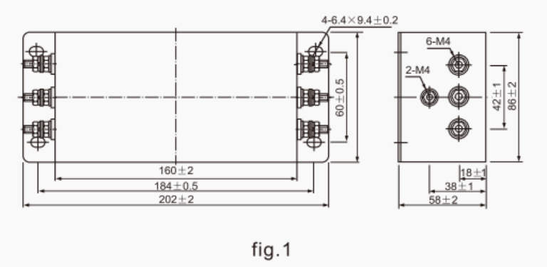
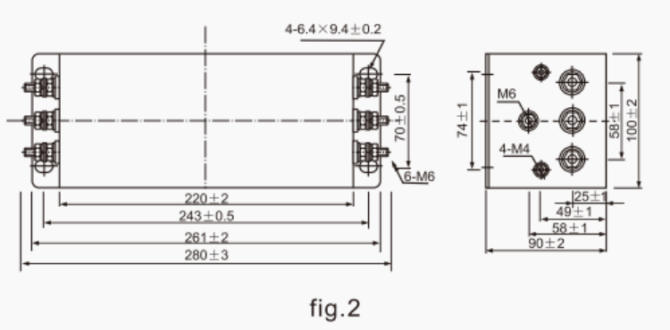
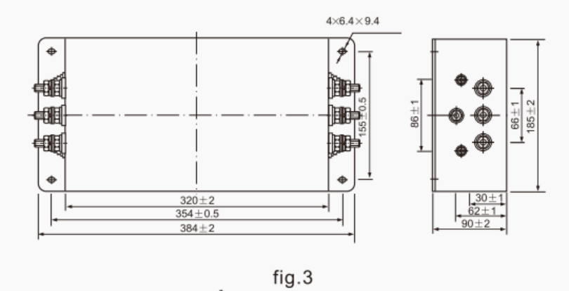
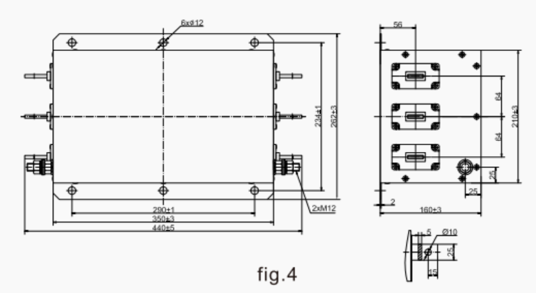
| Model | Rated Current(A) | Ground Capacitance(nF) | Discharge Resistance(MΩ) |
| DL - 5EBL5 | 5 | - | - |
| DL - 10EBL5 | 10 | - | - |
| DL - 16EBL5 | 15/16 | - | - |
| DL - 25EBL5 | 25 | - | - |
| DL - 35EBL5 | 35 | - | - |
| DL - 50EBL5 | 50 | - | - |
| DL - 65EBL5 | 65 | - | - |
| DL - 80EBL5 | 80 | - | - |
| DL - 100EBL5 | 100 | - | - |
| DL - 130EBL5 | 130 | - | - |
| DL - 160EBL5 | 150/160 | - | - |
| DL - 200EBL5 | 200 | - | - |
| DL - 300EBL3 | 300 | - | - |
| DL - 400EBL3 | 400 | - | - |
| DL - 600EBL3 | 600 | - | - |





