| Rated voltage | 250VAC, 50/60Hz | |||
| Operating frequency | DC to 400Hz | |||
| Rated currents | 1 to 16A @40℃ max | |||
| High potential test voltage | L→N: 1100VDC for 2s; L, N→PE: 2250VDC for 2s | |||
| Temperature range | -25℃ to +100℃ (25/100/21) | |||
| Certified to | UL1283, EN60939 |
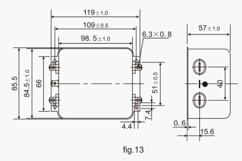
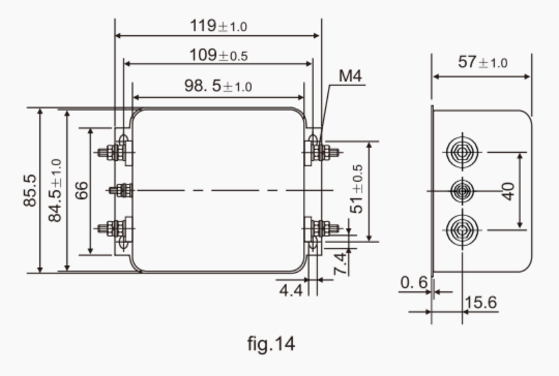
| Filter model | Rated current@40°C(A) | Leakage current@250VAC/50Hz(mA) | Input/Output Connections | Weight(g) |
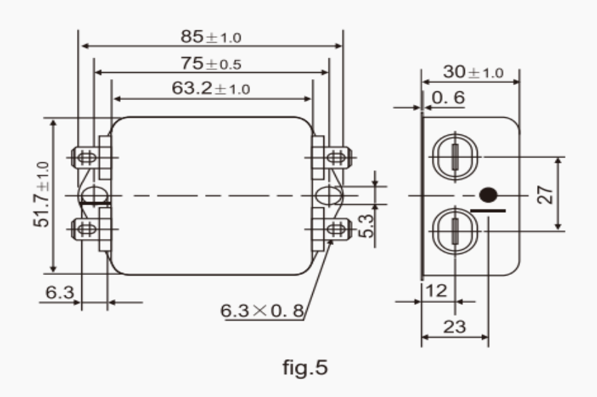
| DL20080 - 1-06 | 1 | 0.66 | 6.3×0.8 | 170 |
| DL20080 - 3-06 | 3 | 0.66 | 6.3×0.8 | 240 |
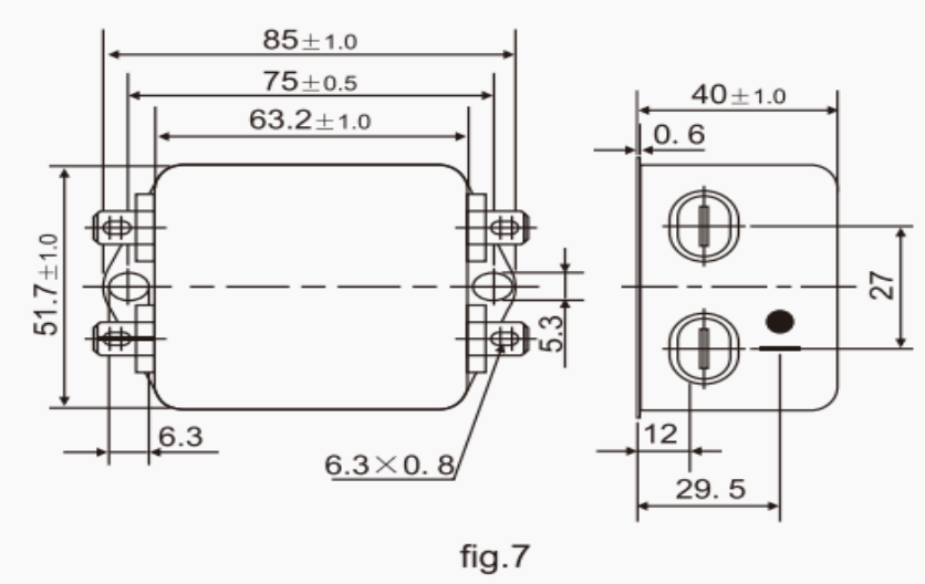
| DL20080 - 6-06 | 6 | 0.66 | 6.3×0.8 | 460 |
| DL20080 - 10-06 | 10 | 0.66 | 6.3×0.8 | 650 |
| DL20080 - 12-06 | 12 | 0.66 | 6.3×0.8 | 650 |
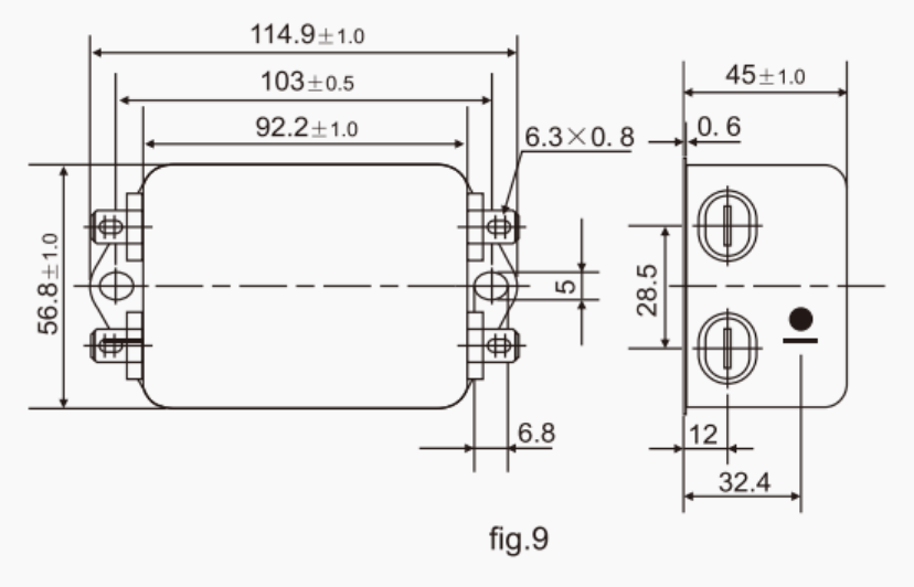
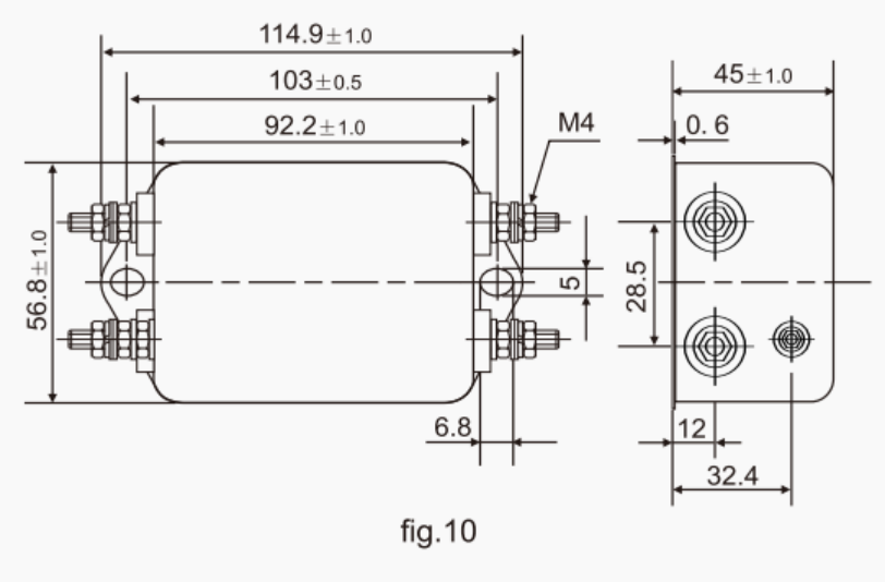
| DL20080 - 16-.. | 16 | 0.66 | 6.3×0.8、M4 | 1000 |
| DL20080S - 1-06 | 1 | 0.07 | 6.3×0.8 | 170 |
| DL20080S - 3-06 | 3 | 0.07 | 6.3×0.8 | 240 |
| DL20080S - 6-06 | 6 | 0.07 | 6.3×0.8 | 460 |
| DL20080S - 10-06 | 10 | 0.07 | 6.3×0.8 | 650 |
| DL20080S - 12-06 | 12 | 0.07 | 6.3×0.8 | 650 |
| DL20080S - 16-.. | 16 | 0.07 | 6.3×0.8、M4 | 1000 |
| DL20080N - 1-06 | 1 | 0 | 6.3×0.8 | 170 |
| DL20080N - 3-06 | 3 | 0 | 6.3×0.8 | 240 |
| DL20080N - 6-06 | 6 | 0 | 6.3×0.8 | 460 |
| DL20080N - 10-06 | 10 | 0 | 6.3×0.8 | 650 |
| DL20080N - 12-06 | 12 | 0 | 6.3×0.8 | 650 |
| DL20080N - 16-.. | 16 | 0 | 6.3×0.8、M4 | 1000 |






