Home
About Us
Products
Optical Communication
Optical Cable
ODN(Optical Distribution Network)
Indoor Optical Cable
Outdoor Optical Cable
Optical Fiber
Switches
Managed Switch
Unmanaged Switch
EOC (Ethernet over Coax)
Fiber Media Converter
Fiber Equipment
Fiber Fusion Splicer
Fiber Fault Locator
Fiber Cleaver
Fiber Identifier
Visual Fault Locator (Red Light Pen)
Optical Power Meter
All-in-One Tester
Stabilized Light Source
Network Tester
Laser Distance Meter
Rangefinder Telescope
Optical-Electrical Cabling
Wireless Communication
Connectors & Terminals
Connectors
RF Cable Assemblies
Network Terminal Equipment
Antennas
Dish Antenna
Repeater
Disquised Antenna
Base Station Antenna
Indoor Distributed Antenna
Multi-mode Antenna
Wall-mounted Antenna
Fiberglass Antenna
Vehicle-mounted Antenna
Panel Antenna
Sector Panel Antenna
Ceiling-mounted Antenna
Terminal Antenna
Omnidirectional Antenna
Log-periodic Antenna
Direction-finding Antenna
Horn Antenna
Helical Antenna
HF Antenna
Directional Panel Antenna
Elevator-specific Antenna
Multi-band Antenna
TDD & FDD Antenna
Beamforming Antenna
Specialized Antenna
Remote Electrical Tilt Antenna
PCB Antenna
Customized Antenna
Antenna Components
Microwave Passive Components
Combiner
Power Divider
Attenuator
Passive Filter
Load
Hybrid Coupler
Coupler
Duplexer/Diplexer
Routers
4G/5G Router 4G/5G
AC Controller AC
Outdoor AP
Wireless Bridge
Ceiling-Mounted APs
Portable WiFi Devices
Outdoor Routers
Others
server
UPS (Uninterruptible Power Supply)
Filters
Reactor
Multi-band Filter
Power Filter
Resistance Box/Cabinet
Frequency Converter Braking Unit
Resistor
Transformer
Capacitor
Cables
Power Cable
Electrical Installation Cables
Battery
Lead-Acid Battery
Lithium Battery
Power Module
Module Power Supply
Custom Power Modules
Tel / WhatsApp / WeChat:
+86-15251891388
Contact Us
close
Applications
Video
Download
Service
Contact Us
EN
EN
AR
NL
FR
DE
EL
HI
IT
JA
KO
NO
PL
PT
RO
RU
ES
SV
TL
ID
SR
UK
VI
LT
HU
MT
TH
TR
FA
MS
GA
KA
UR
BN
KM
LA
MN
KK
UZ
KY
AF
About Us
Products
Optical Communication
Optical Cable
Switches
Fiber Equipment
Wireless Communication
Connectors & Terminals
Network Terminal Equipment
Antennas
Microwave Passive Components
Routers
Others
server
UPS (Uninterruptible Power Supply)
Filters
Cables
Battery
Power Module
Applications
Video
Download
Service
Contact Us
Search
Power Filter
Home
>
Products
>
Others
>
Filters
>
Power Filter
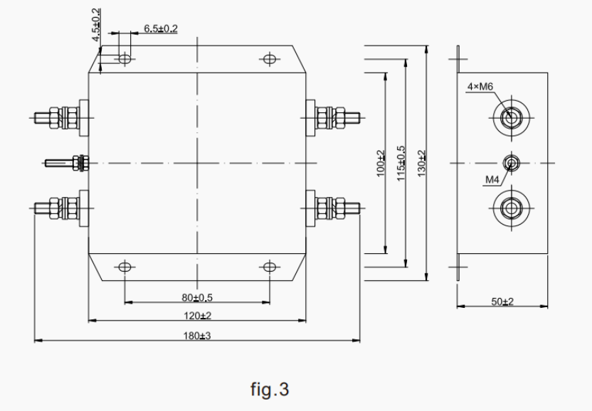
YW-JL-K Series
Spu:
YW-JL-K Series
Get a Quote
Contact Us
Description
[email protected]
Inquiry
Description
Model
Rated Current (A)
Ground Capacitance (nF)
Leakage Current (mA)
Discharge Resistance (MΩ)
DL-3K1
3
9.4
1.5
1.5
DL-6K1
6
9.4
1.5
1.5
DL-10K1
10
9.4
1.5
1.5
DL-20K3
20
9.4
1.5
1.5
DL-30K3
30
9.4
1.5
1.5
DL-50K3
50
9.4
1.5
1.5
Related Products
Double-Jacketed Shielded Medium-Duty Cable for Cable Chains
YW- TY-T1004S6R012
YW- TY-TDQM-608017DEI-65F
YW-JL-EBK1、EBK3 Series
Get a Free Quote
Our representative will contact you soon.
Email
Name
Company Name
Message
0/1000
Submit